




|
Тип двигателя
|
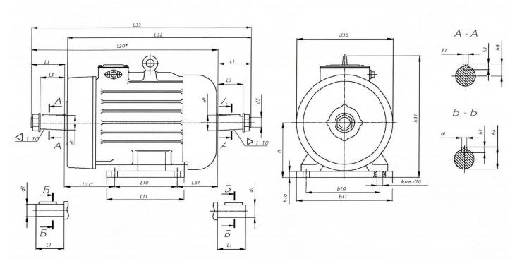
Габаритные размеры*, мм |
Установочные и присоединительные размеры, мм
|
|||||||||||||||
|---|---|---|---|---|---|---|---|---|---|---|---|---|---|---|---|---|---|
| d30 | l30 | l33 | h31 | b1 | b10 | d1 | d10 | l1 | l3 | l10 | l31 | h1 | h8 | h | h5 | ||
| 4MT 200 LA8 | 422 | 907 | 1050 | 500 | 16 | 318 | 65 | 19 | 140 | 105 | 305 | 133 | 10 | 33,9 | 200 | – | |
| Тип двигателя |
Мощность, кВт
|
Частота вращения, об/мин
|
Напряжение ротора, В
|
Ток ротора, А
|
cos φ |
КПД, %
|
Вес, кг
|
|---|---|---|---|---|---|---|---|
| 4MT 200 LA8 | 15 | 715 | 195 | 48 | 0,68 | 83 | 285 |
Электродвигатели 4мт 200 la8 широко используются в капитальном и жилищном строительстве, на транспорте, в энергетике, а также металлургической и горнодобывающей промышленности. Входят в комплектацию башенных, мостовых, портальных, козловых и других видов кранов.
Двигатели марки 4mt200la8 по надежности и энергетическим показателям превосходят многие зарубежные аналоги и с успехом выдерживают конкуренцию на мировом рынке. Подходят для использования в самых суровых климатических условиях.
Купить электродвигатель 4мт200la8 по доступной цене с доставкой по РБ вы можете в ООО “БелСпецЗапчасть”.
Монтажные исполнения:
Подписываясь на рассылку, вы соглашаетесь с политикой конфиденциальности