




|
Тип двигателя
|
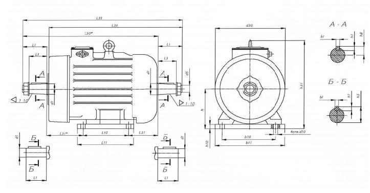
Габаритные размеры*, мм |
Установочные и присоединительные размеры, мм
|
|||||||||||||||
|---|---|---|---|---|---|---|---|---|---|---|---|---|---|---|---|---|---|
| d30 | l30 | l33 | h31 | b1 | b10 | d1 | d10 | l1 | l3 | l10 | l31 | h1 | h8 | h | h5 | ||
| 4МТК 200 LB8 | 422 | 767 | 910 | 500 | 16 | 318 | 65 | 19 | 140 | 105 | 305 | 133 | 10 | 33,9 | 200 | – | |
| Тип двигателя |
Мощность, кВт
|
Частота вращения, об/мин
|
Ток статора, А
|
cos φ |
КПД, %
|
Вес, кг
|
|---|---|---|---|---|---|---|
| 4МТК 200 LB8 | 22 | 700 | 54 | 0,75 | 83 | 255 |
Подписываясь на рассылку, вы соглашаетесь с политикой конфиденциальности