




|
Тип двигателя
|
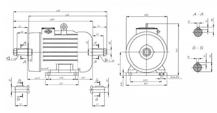
Габаритные размеры*, мм |
Установочные и присоединительные размеры, мм
|
|||||||||||||||
|---|---|---|---|---|---|---|---|---|---|---|---|---|---|---|---|---|---|
| d30 | l30 | l33 | h31 | b1 | b10 | d1 | d10 | l1 | l3 | l10 | l31 | h1 | h8 | h | h5 | ||
| 4МТКМ 225 L8 | 465 | 907 | 1052 | 545 | 18 | 356 | 70 | 19 | 140 | 105 | 356 | 140 | 11 | 36,4 | 225 | – | |
| Тип двигателя |
Мощность, кВт
|
Частота вращения, об/мин
|
Ток статора, А
|
cos φ |
КПД, %
|
Вес, кг
|
|---|---|---|---|---|---|---|
| 4МТКМ 225 L8 | 37 | 700 | 85 | 0,78 | 85 | 440 |
Подписываясь на рассылку, вы соглашаетесь с политикой конфиденциальности