




|
Тип двигателя
|
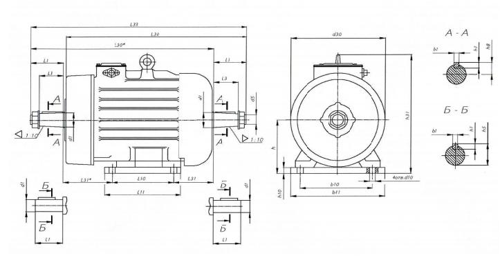
Габаритные размеры*, мм |
Установочные и присоединительные размеры, мм
|
|||||||||||||||
|---|---|---|---|---|---|---|---|---|---|---|---|---|---|---|---|---|---|
| d30 | l30 | l33 | h31 | b1 | b10 | d1 | d10 | l1 | l3 | l10 | l31 | h1 | h8 | h | h5 | ||
| 4МТКН 132 LA6 | 288 | 580 | 692 | 318 | 12 | 216 | 42 | 12 | 110 | – | 203 | 89 | 8 | – | 132 | 45 | |
| Тип двигателя |
Мощность, кВт
|
Частота вращения, об/мин
|
Ток статора, А
|
cos φ |
КПД, %
|
Вес, кг
|
|---|---|---|---|---|---|---|
| 4МТКН 132 LA6 | 5,5 | 900 | 14,5 | 0,76 | 76 | 100 |
Подписываясь на рассылку, вы соглашаетесь с политикой конфиденциальности