




|
Тип двигателя
|
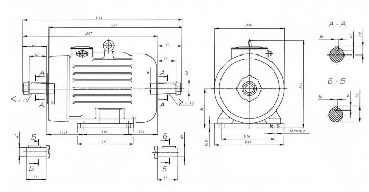
Габаритные размеры*, мм |
Установочные и присоединительные размеры, мм
|
|||||||||||||||
|---|---|---|---|---|---|---|---|---|---|---|---|---|---|---|---|---|---|
| d30 | l30 | l33 | h31 | b1 | b10 | d1 | d10 | l1 | l3 | l10 | l31 | h1 | h8 | h | h5 | ||
| МТКН 511-8 | 465 | 797 | 1015 | 570 | 18 | 380 | 70 | 35 | 140 | 105 | 310 | 251 | 11 | 36,4 | 250 | – | |
| Тип двигателя |
Мощность, кВт
|
Частота вращения, об/мин
|
Ток статора, А
|
cos φ |
КПД, %
|
Вес, кг
|
|---|---|---|---|---|---|---|
| МТКН 511-8 | 30 | 700 | 72 | 0,75 | 84 | 390 |
Подписываясь на рассылку, вы соглашаетесь с политикой конфиденциальности