




|
Тип двигателя
|
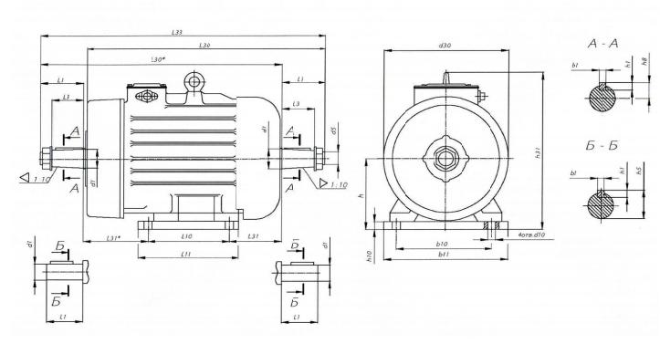
Габаритные размеры*, мм |
Установочные и присоединительные размеры, мм
|
|||||||||||||||
|---|---|---|---|---|---|---|---|---|---|---|---|---|---|---|---|---|---|
| d30 | l30 | l33 | h31 | b1 | b10 | d1 | d10 | l1 | l3 | l10 | l31 | h1 | h8 | h | h5 | ||
| МТКН 011-6 | 246 | 440 | 504 | 275 | 8 | 180 | 28 | 12 | 60 | – | 150 | 132 | 8 | – | 112 | 31 | |
| Тип двигателя |
Мощность, кВт
|
Частота вращения, об/мин
|
Ток статора, А
|
cos φ |
КПД, %
|
Вес, кг
|
|---|---|---|---|---|---|---|
| МТКН 011-6 | 1,4 | 920 | 4,5 | 0,67 | 70 | 46 |
Подписываясь на рассылку, вы соглашаетесь с политикой конфиденциальности